It may be desirable to set up a telegraph circuit or circuits for a home telegnph office, fair demo or museum exhibit. In regard to power sources for such set-ups, for satisfactory operation and safety as well as protection of valuable antique equipment, there are a number of things to consider in order to do the job right.
1. For reasons explained in a previous article (‘Observations on Telegraph Instrument Use in Circuit’) adequate voltage must be supplied in order for the instruments to operate properly, particularly if high resistance 100, 120 or 150 ohm mainline instruments are to be used. The 'open circuit' voltage is the supply voltage such as would be measured in the circuit across an open key with a DC voltmeter. For circuits with more than two mainline instruments in circuit, this voltage should be not less an 100 volts in order to obtain proper operation and ease of adjustment of the sounders or relays. Lower voltages can used but performance will suffer if too many instruments are cut into a circuit with insufficient supply voltage, regardless of the operating current value.
2. Sufficient current must be available to operate the circuit or circuits desired at proper current level without overloading the power supply. Means must also be provided to limit the current in circuit or circuits to a proper and safe value consistent with the type of instruments to be used.
3. Isolation must be provided between different circuits using common power supply terminals to avoid interaction between them. That is, when one circuit is keyed, other circuits 'taking battery' from the same supply must be unaffected.
4. Last but by no means least, the power source must be safely constructed, properly fused on the 115V AC side and set up to minimize hazards to those working with it.
THE AUTHOR ASSUMES ABSOLUTELY NO RESPONSIBILITY WHATSOEVER FOR ANY INJURY OR HARM TO PERSONS OR PROPERTY BY ANYONE USING ANY OF THE FOLLOWING INFORMATION.

Transformers
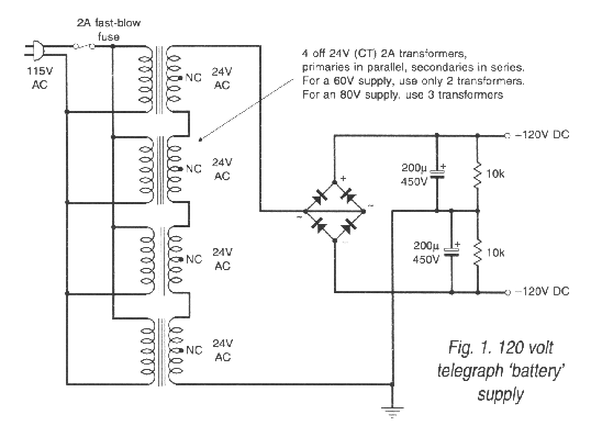
It will be assumed that the commercial 115V AC mains will be used as power source primary supply. Suitable transformers can be found at surplus outlets, ham swapfests, or Radio Shack Stores. A single 'isolation' type transformer that has a secondary output of 110 to 115 RMS VAC can be used, or alternatively, several lower voltage transformers can be used by wiring their primaries in parallel, and their secondary windings in series to obtain just about any desired output voltage.
Both positive and negative output voltages with respect to earth common can be obtained from the same transformer or transformers by use of a full wave bridge rectifier wired in a certain way (see Fig. 1). This results in two half-wave rectified outputs each having its own filter network and opposite output polarities. It efficiently uses both halves of the AC input cycle, and is entirely adequate for telegraph purposes. See the diagrams and notes.

Current Regulation
For current regulating purposes use 3500 or 5000 ohm wirewound rheostats rated at least 9OmA (35 or 50 watt) minimum. These can be obtained through Fair Radio Sales in Lima, Ohio, or perhaps at swapfests, etc.
Use Ohm's Law to calculate initially the series resistance value required to set up a circuit. The calculated value may differ somewhat from what is actually required, due to differences in ground resistances, etc., in the case of ground return circuits, but it will be a good starting point.
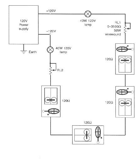
Each feed from the power source should be routed through a common 40- watt 120-volt incandescent lamp (a common light bulb) in order to provide some over-current and short-circuit protection for the circuit. These lamps also provide some isolation so that the keying action of one circuit will not have any effect on other circuits 'taking battery' from the same voltage supply.

Such 40-watt lamps normally do not glow visibly with 50 or 6OmA flowing through them, but will light up brightly and limit the current to about 350mA if a short circuit occurs. This will alert the operator or attendant in time to open the circuit and clear the trouble before any serious damage occurs to the instruments. Lamps should be wired in the circuit as close to the voltage supply output as possible for maximum protection. The lamps can be mounted using 'Cleat' type porcelain sockets.
Good Earth Connection
All transformer AC primaries should be properly fused. Normally a lA or 2A fast-blow fuse will carry such a supply at full output without blowing yet will protect the AC mains if something goes seriously wrong in the rectifiers or filters of the supply.
All telegraph power supplies should have their common or 'return' side connected to a good earth ground. A good earth ground connection can be made rather easily by attaching a garden hose to a ten foot section of hard drawn copper water pipe, turning on the water and letting the water dig the hole as the pipe is pressed down into the earth. Given a location free of large rocks, this will sink a ten-foot ground pipe about as fast as it takes to tell about it and will produce a very good ground connection for telegraph purposes. All that remains is to disconnect the hose and solder on the ground wire.

Safety Precautions Essential
Power supply construction is pretty much up to the individual. The various points in the circuitry that are at high voltage potential should be covered or otherwise adequately protected against accidental contact by people or animals, and the units must not be overfused on the AC side.
Filter capacitors must have adequate working voltage ratings and be wired into the circuit with their polarity cor- rect. As shown in the diagrams, a single solid-state diode bridge rectifier unit can be used to provide both voltage polari- ties from a single transformer secondary winding or windings.
Such power supplies are electrically equivalent to what was actually used in commercial and railroad telegraph service and will give long trouble-free service if properly set up.
GO TO "OBSERVATIONS ON TELEGRAPH INSTRUMENT USE IN CIRCUIT"